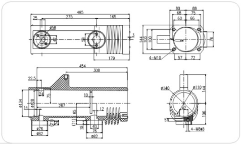
产品名称:绝缘筒

产品型号:JTZ03-12

额定电流:1250A


Product design drawing:

20200328163721374.jpg

Product consultation