Language
Current Location:Home Page >Products >24kV insulation parts series >24kV contact box series
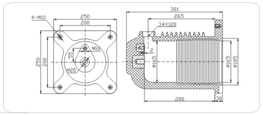
产品名称:24kV触头盒
产品型号:CHZ04-24
额定电流:≤3150A
Product design drawing: