Language
Current Location:Home Page >Products >24kV insulation parts series >24kV contact box series
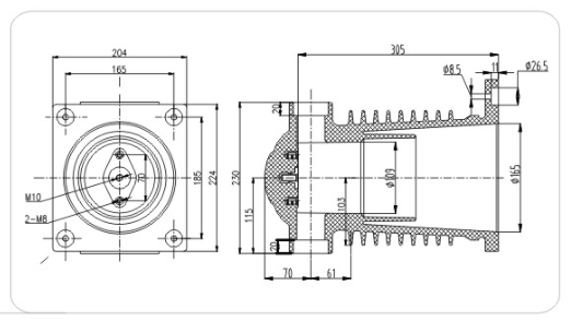
产品名称:24kV三通触头盒
产品型号:CHZ012-24
额定电流:≤1250A
Product design drawing: