Language
Current Location:Home Page >Products >40.5kV insulation parts series >40.5kV shielding bushing series
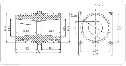
产品名称:屏蔽套管
产品型号:TGZ1-40.5
额定电压:40.5kV
Product design drawing: