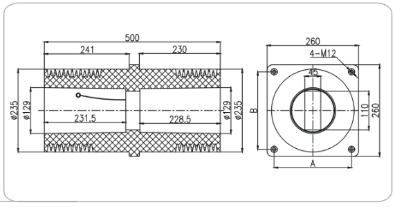
产品名称:屏蔽套管

产品型号:TGZ2-B-40.5

额定电压:40.5kV


Product design drawing:

20200328172527532.jpg

Product consultation