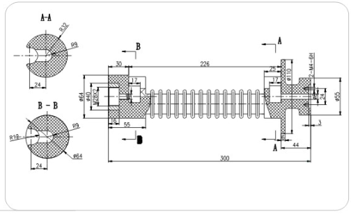
产品名称:手柄(风电)

产品型号:ZJ216-12

额定电压:12kV


Product design drawing:

20200328175951332.jpg

Product consultation