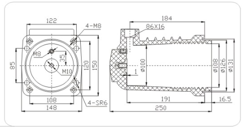
产品名称:12kV触头盒

产品型号:CHZ301-A-12

额定电流:630A~1250A


产品设计图:

20200328162320322.png

产品咨询