Language
当前位置:首页 >产品中心 >3.6-12kV绝缘件系列 >12kV触头盒系列
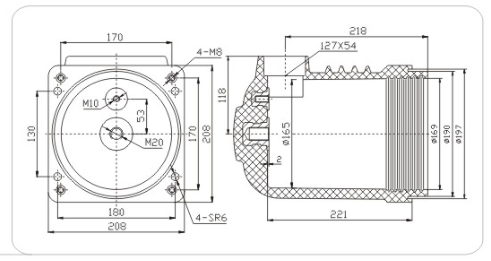
产品名称:12kv触头盒
产品型号:CHZ303-12
额定电流:2000A~3150A
产品设计图: